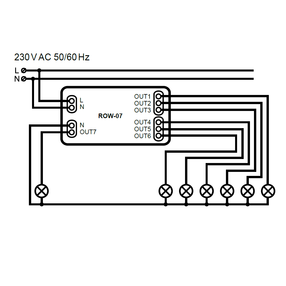
Leírás
- 7 csatornás Wi-Fi modul világítás és elektromos berendezés vezérlésére
- Működési frekvencia 2.4 GHz
- 230V AC tápfeszültség
- 7 NO kimenet
- Terhelhetőség max 7*5A (izzólámpák és halogén izzók esetén 750W, kompakt fénycsövek (CFL) esetén 250W, LED szalagok esetén 60 W)
- Nem rendelkezik bemenettel, fel- és le kapcsolóhoz/nyomógombhoz az RNW-01 modul javasolt
A modul lehetővé teszi világítás vezérlését, konnektorok és elektromos berendezések be- és kikapcsolását okostelefon vagy táblagép segítségével. A készülék tájékoztat a világítás állapotáról. A felhasználók a világ bármely pontjáról ellenőrizhetik és vagy vezérelhetik a világítást.
A SUPLA felhőalkalmazás lehetővé teszi a világítás automatikus aktiválását és kikapcsolását is a felhőben (webes felületen) rögzített ütemterv szerint.
Ezen kívül különböző reakciókat és/vagy automatizálásokat is létre lehet hozni több különböző eszköz között kábeles összeköttetés nélkül (például: a garázskapu nyitásával kapcsoljon fel a lámpa, majd egy idő után automatikusan kapcsoljon le).













